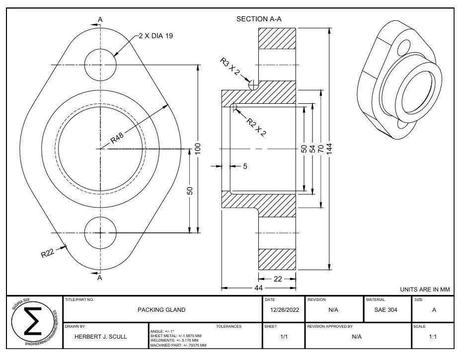
Sectional Views
A Sectional View represents the part of an object remaining after a portion is assumed to have been cut and removed. The exposed cut surface is then exposed by section lines.
Hidden features behind the cutting plane are omitted, unless required for dimensioning of the part.
There are a number of different types of Sectional Views that can be drawn. A few of the more common ones are: Full Sections, Half Sections, Broken Sections, Rotated or Revolved Sections, Removed Sections, Offset Sections and Assembly Sections.
